Skip to content
Search
Reset your password
Email
Submit
Cancel
Login
Email
Password
Forgot your password?
Sign in
Create account
Create account
First name
Last name
Email
Password
Sign Up
Login
0
Sale
All Bikes Sale
Workshop Sale
Apparel Sale
Accessories Sale
Specialized Bike Sale
Specialized Bikes
Turbo E-Bikes
Turbo Como
Turbo Como SL
Turbo Creo SL
Turbo Kenevo
Turbo Kenevo SL
Turbo LevoÂ
Turbo Levo SL
Turbo Levo SL Kids
Turbo Porto
Turbo Tero
Turbo Tero X
Turbo VadoÂ
Turbo Vado SL
Mountain Bikes
Chisel
Enduro
Epic
Epic Hardtail
Epic WC
Fuse
Rockhopper
Status
Stumpjumper
Stumpjumper EVO
Road
AethosÂ
Allez
Crux
DivergeÂ
Roubaix
TarmacÂ
Fitness
Roll
Sirrus X
Kids
Hotwalk
Jett
Riprock
New Arrivals
All Bikes
All Bikes
New Arrivals
E-Bikes
Mountain
Road
Gravel
Active
Ex-Demo/Custom Builds
BMX
Kids
Balance Bikes
Scooters
Bike Parts
Wheels & Tyres
Tyres
Wheels
Inner Tubes, Inserts, Liners
Valves, Stems, Caps
Sealant
Puncture Repair
Rims
Rim Tape
Hubs
Axles & Spindles
Skewers
Spokes & Nipples
Drivetrain
Chains
Cassettes
Sprockets & Freewheels
Cranks & Chainsets
Groupsets
Chain Rings
Chain Guides
Derailleurs & Parts
Bottom Brackets
Pulleys
Hangers
Bash Guards
Ebike Components
Power Meters
Pedals
Clipless Pedals
Flat Pedals
Cleats
Toe-Clip Pedals
Pedal Spares
Frames & Forks
Frames
Forks
Headsets
Rear Shocks
Frame Protection
Frame Spares & Parts
Fork & Shock Parts
Bearings
Brakes & Shifters
Brakes
Brake Cables
Brake Pads
Gear Cables
Gear Shifters
Cable Fittings
Brake Rotors
Brake Parts
Cockpit
Stems
Bar Tape
Grips
Handlebars
Bar Plugs
Bar Ends & Aerobars
Seating
Saddles
Seatposts
Dropper Posts
Seat Clamps
Seat Covers
Riding Gear
Helmets
Trail Helmets
Full Face Helmets
Road Helmets
Commuter Helmets
BMX Helmets
Snow Helmets
Youth Helmets
Helmet Parts & Accessories
Protective Gear
Body Armour
MTB Goggles
Sunglasses
Gloves
Reflective Accessories
Shoes
Road Bike Shoes
Mountain Bike Shoes
Overshoes
Cleats
Accessories
Extras
Mirrors
Bells
Bike Stands
Carriers
Bottles & Cages
Child Seats
Mudguards
Trailers
Trainers
Novelty & Gifts
Training Wheels
Bags & Bikepacking
Seat Bags
Handlebar Bags
Top Tube Bags
Pannier Racks & Bags
Bike Travel Bags
Bike Carrier Bags
Bike Wheel Bags
Bike Frame Bags
Bike Storage Bags
Bike Baskets
Backpacks
Hip Bags
Cargo Bags
Hydration Bags
Lights & Tech
Computers
Phone Cases
Phone Parts & Accessories
Front Lights
Rear Lights
Light Sets
Light Accessories
Rider Care
Nutrition
Hydration
Balms & Creams
Car Racks
Towball Bike Racks
Hitch Bike Racks
Trunk Bike Racks
Roof Bike Racks
Ute Bike Racks
Bike Rack Accessories
Locks & Security
Key Locks
Combination Locks
U-Locks
Security Accessories
Apparel
Jackets & Vests
Men's Jackets
Men's Vests
Women's Jackets
Women's Vests
Jerseys
Men's Short Sleeved Jerseys
Men's Long Sleeved Jerseys
Women's Long Sleeved Jerseys
Women's Short Sleeved Jerseys
Youth Jerseys
Tights
Men's Tights
Women's Tights
Accessories
Caps
Headwear & Neckwear
Arm & Leg Warmers
Shorts & Pants
Men's Lycra Shorts
Men's Baggy Shorts
Men's Pants
Women's Baggy Shorts
Women's Pants
Women's Lycra Shorts
Women's Short Liners
Youth Baggy Shorts & Pants
Casualwear
Men's Tees
Men's Hoodies & Sweatshirts
Men's Shirts
Women's Hoodies & Sweatshirts
Women's Shirts
Women's Tees
Youth Hoodies & Sweatshirts
Youth Shirts
Youth Tees
Socks
Workshop
Tools
Multi Tools
Toolkits
Wrenches
Screwdrivers
Bottom Bracket Tools
Chain Tools
Wheel Tools
Allen Keys
Tool Storage
Chainset Tools
Tyre Levers
Cutting Tools
Other Tools
Ebike Tools
Cleaning
Bike Cleaner
Cleaning Equipment
Cleaning Tools
Grease & Lube
Grease
Lube
Other Grease & Lube
Bike Stands & Storage
Bike Repair Stands
Bike Storage
Other Workshop Gear
Pressure Gauges
Bleed Kits
Tubeliss Kits & Sealant
Pumps
Hand Pumps
Floor Pumps
C02 Pumps
Book Service
Body geometry fit
Contact
Sale
All Bikes Sale
Workshop Sale
Apparel Sale
Accessories Sale
Specialized Bike Sale
Specialized Bikes
Turbo E-Bikes
Turbo Como
Turbo Como SL
Turbo Creo SL
Turbo Kenevo
Turbo Kenevo SL
Turbo LevoÂ
Turbo Levo SL
Turbo Levo SL Kids
Turbo Porto
Turbo Tero
Turbo Tero X
Turbo VadoÂ
Turbo Vado SL
Mountain Bikes
Chisel
Enduro
Epic
Epic Hardtail
Epic WC
Fuse
Rockhopper
Status
Stumpjumper
Stumpjumper EVO
Road
AethosÂ
Allez
Crux
DivergeÂ
Roubaix
TarmacÂ
Fitness
Roll
Sirrus X
Kids
Hotwalk
Jett
Riprock
New Arrivals
All Bikes
All Bikes
New Arrivals
E-Bikes
Mountain
Road
Gravel
Active
Ex-Demo/Custom Builds
BMX
Kids
Balance Bikes
Scooters
Bike Parts
Wheels & Tyres
Tyres
Wheels
Inner Tubes, Inserts, Liners
Valves, Stems, Caps
Sealant
Puncture Repair
Rims
Rim Tape
Hubs
Axles & Spindles
Skewers
Spokes & Nipples
Drivetrain
Chains
Cassettes
Sprockets & Freewheels
Cranks & Chainsets
Groupsets
Chain Rings
Chain Guides
Derailleurs & Parts
Bottom Brackets
Pulleys
Hangers
Bash Guards
Ebike Components
Power Meters
Pedals
Clipless Pedals
Flat Pedals
Cleats
Toe-Clip Pedals
Pedal Spares
Frames & Forks
Frames
Forks
Headsets
Rear Shocks
Frame Protection
Frame Spares & Parts
Fork & Shock Parts
Bearings
Brakes & Shifters
Brakes
Brake Cables
Brake Pads
Gear Cables
Gear Shifters
Cable Fittings
Brake Rotors
Brake Parts
Cockpit
Stems
Bar Tape
Grips
Handlebars
Bar Plugs
Bar Ends & Aerobars
Seating
Saddles
Seatposts
Dropper Posts
Seat Clamps
Seat Covers
Riding Gear
Helmets
Trail Helmets
Full Face Helmets
Road Helmets
Commuter Helmets
BMX Helmets
Snow Helmets
Youth Helmets
Helmet Parts & Accessories
Protective Gear
Body Armour
MTB Goggles
Sunglasses
Gloves
Reflective Accessories
Shoes
Road Bike Shoes
Mountain Bike Shoes
Overshoes
Cleats
Accessories
Extras
Mirrors
Bells
Bike Stands
Carriers
Bottles & Cages
Child Seats
Mudguards
Trailers
Trainers
Novelty & Gifts
Training Wheels
Bags & Bikepacking
Seat Bags
Handlebar Bags
Top Tube Bags
Pannier Racks & Bags
Bike Travel Bags
Bike Carrier Bags
Bike Wheel Bags
Bike Frame Bags
Bike Storage Bags
Bike Baskets
Backpacks
Hip Bags
Cargo Bags
Hydration Bags
Lights & Tech
Computers
Phone Cases
Phone Parts & Accessories
Front Lights
Rear Lights
Light Sets
Light Accessories
Rider Care
Nutrition
Hydration
Balms & Creams
Car Racks
Towball Bike Racks
Hitch Bike Racks
Trunk Bike Racks
Roof Bike Racks
Ute Bike Racks
Bike Rack Accessories
Locks & Security
Key Locks
Combination Locks
U-Locks
Security Accessories
Apparel
Jackets & Vests
Men's Jackets
Men's Vests
Women's Jackets
Women's Vests
Jerseys
Men's Short Sleeved Jerseys
Men's Long Sleeved Jerseys
Women's Long Sleeved Jerseys
Women's Short Sleeved Jerseys
Youth Jerseys
Tights
Men's Tights
Women's Tights
Accessories
Caps
Headwear & Neckwear
Arm & Leg Warmers
Shorts & Pants
Men's Lycra Shorts
Men's Baggy Shorts
Men's Pants
Women's Baggy Shorts
Women's Pants
Women's Lycra Shorts
Women's Short Liners
Youth Baggy Shorts & Pants
Casualwear
Men's Tees
Men's Hoodies & Sweatshirts
Men's Shirts
Women's Hoodies & Sweatshirts
Women's Shirts
Women's Tees
Youth Hoodies & Sweatshirts
Youth Shirts
Youth Tees
Socks
Workshop
Tools
Multi Tools
Toolkits
Wrenches
Screwdrivers
Bottom Bracket Tools
Chain Tools
Wheel Tools
Allen Keys
Tool Storage
Chainset Tools
Tyre Levers
Cutting Tools
Other Tools
Ebike Tools
Cleaning
Bike Cleaner
Cleaning Equipment
Cleaning Tools
Grease & Lube
Grease
Lube
Other Grease & Lube
Bike Stands & Storage
Bike Repair Stands
Bike Storage
Other Workshop Gear
Pressure Gauges
Bleed Kits
Tubeliss Kits & Sealant
Pumps
Hand Pumps
Floor Pumps
C02 Pumps
Book Service
Body geometry fit
Contact
Sale
All Bikes Sale
Workshop Sale
Apparel Sale
Accessories Sale
Specialized Bike Sale
Specialized Bikes
Turbo E-Bikes
Turbo Como
Turbo Como SL
Turbo Creo SL
Turbo Kenevo
Turbo Kenevo SL
Turbo LevoÂ
Turbo Levo SL
Turbo Levo SL Kids
Turbo Porto
Turbo Tero
Turbo Tero X
Turbo VadoÂ
Turbo Vado SL
Mountain Bikes
Chisel
Enduro
Epic
Epic Hardtail
Epic WC
Fuse
Rockhopper
Status
Stumpjumper
Stumpjumper EVO
Road
AethosÂ
Allez
Crux
DivergeÂ
Roubaix
TarmacÂ
Fitness
Roll
Sirrus X
Kids
Hotwalk
Jett
Riprock
New Arrivals
All Bikes
All Bikes
New Arrivals
E-Bikes
Mountain
Road
Gravel
Active
Ex-Demo/Custom Builds
BMX
Kids
Balance Bikes
Scooters
Bike Parts
Wheels & Tyres
Tyres
Wheels
Inner Tubes, Inserts, Liners
Valves, Stems, Caps
Sealant
Puncture Repair
Rims
Rim Tape
Hubs
Axles & Spindles
Skewers
Spokes & Nipples
Drivetrain
Chains
Cassettes
Sprockets & Freewheels
Cranks & Chainsets
Groupsets
Chain Rings
Chain Guides
Derailleurs & Parts
Bottom Brackets
Pulleys
Hangers
Bash Guards
Ebike Components
Power Meters
Pedals
Clipless Pedals
Flat Pedals
Cleats
Toe-Clip Pedals
Pedal Spares
Frames & Forks
Frames
Forks
Headsets
Rear Shocks
Frame Protection
Frame Spares & Parts
Fork & Shock Parts
Bearings
Brakes & Shifters
Brakes
Brake Cables
Brake Pads
Gear Cables
Gear Shifters
Cable Fittings
Brake Rotors
Brake Parts
Cockpit
Stems
Bar Tape
Grips
Handlebars
Bar Plugs
Bar Ends & Aerobars
Seating
Saddles
Seatposts
Dropper Posts
Seat Clamps
Seat Covers
Riding Gear
Helmets
Trail Helmets
Full Face Helmets
Road Helmets
Commuter Helmets
BMX Helmets
Snow Helmets
Youth Helmets
Helmet Parts & Accessories
Protective Gear
Body Armour
MTB Goggles
Sunglasses
Gloves
Reflective Accessories
Shoes
Road Bike Shoes
Mountain Bike Shoes
Overshoes
Cleats
Accessories
Extras
Mirrors
Bells
Bike Stands
Carriers
Bottles & Cages
Child Seats
Mudguards
Trailers
Trainers
Novelty & Gifts
Training Wheels
Bags & Bikepacking
Seat Bags
Handlebar Bags
Top Tube Bags
Pannier Racks & Bags
Bike Travel Bags
Bike Carrier Bags
Bike Wheel Bags
Bike Frame Bags
Bike Storage Bags
Bike Baskets
Backpacks
Hip Bags
Cargo Bags
Hydration Bags
Lights & Tech
Computers
Phone Cases
Phone Parts & Accessories
Front Lights
Rear Lights
Light Sets
Light Accessories
Rider Care
Nutrition
Hydration
Balms & Creams
Car Racks
Towball Bike Racks
Hitch Bike Racks
Trunk Bike Racks
Roof Bike Racks
Ute Bike Racks
Bike Rack Accessories
Locks & Security
Key Locks
Combination Locks
U-Locks
Security Accessories
Apparel
Jackets & Vests
Men's Jackets
Men's Vests
Women's Jackets
Women's Vests
Jerseys
Men's Short Sleeved Jerseys
Men's Long Sleeved Jerseys
Women's Long Sleeved Jerseys
Women's Short Sleeved Jerseys
Youth Jerseys
Tights
Men's Tights
Women's Tights
Accessories
Caps
Headwear & Neckwear
Arm & Leg Warmers
Shorts & Pants
Men's Lycra Shorts
Men's Baggy Shorts
Men's Pants
Women's Baggy Shorts
Women's Pants
Women's Lycra Shorts
Women's Short Liners
Youth Baggy Shorts & Pants
Casualwear
Men's Tees
Men's Hoodies & Sweatshirts
Men's Shirts
Women's Hoodies & Sweatshirts
Women's Shirts
Women's Tees
Youth Hoodies & Sweatshirts
Youth Shirts
Youth Tees
Socks
Workshop
Tools
Multi Tools
Toolkits
Wrenches
Screwdrivers
Bottom Bracket Tools
Chain Tools
Wheel Tools
Allen Keys
Tool Storage
Chainset Tools
Tyre Levers
Cutting Tools
Other Tools
Ebike Tools
Cleaning
Bike Cleaner
Cleaning Equipment
Cleaning Tools
Grease & Lube
Grease
Lube
Other Grease & Lube
Bike Stands & Storage
Bike Repair Stands
Bike Storage
Other Workshop Gear
Pressure Gauges
Bleed Kits
Tubeliss Kits & Sealant
Pumps
Hand Pumps
Floor Pumps
C02 Pumps
Log in
Seatposts
Filter
55 products
Sort by
Sort by
Featured
Best selling
Alphabetically, A-Z
Alphabetically, Z-A
Price, low to high
Price, high to low
Date, old to new
Date, new to old
$1.06 OFF
Sale
Cane Creek eeSilk+ Spare Parts and Elastomer
Click for pricing
$21.20
$19.05 OFF
Sale
Cane Creek eeSilk+ Seatpost
Click for pricing
$381.00
$1.41 OFF
Sale
Cane Creek Seatpost Shim
Click for pricing
$28.20
BBB - Seat Post - TopPost 27.2, 30.9 and 31.6mm
$64.90
Race Face - Ride Seatpost
$74.90
$2.60 OFF
Sale
RITCHEY clamps for 1-bolt seatpost & seat topper
$49.40
$52.00
Dropper Remote Barcentric
$174.99
$10.00 OFF
Sale
Thomson Elite Set Back Seatpost
Click for pricing
$199.99
Seat Post Shim
Click for pricing
$1.90 OFF
Sale
Cane Creek Thudbuster LT Seatpost
Click for pricing
$38.00
$0.88 OFF
Sale
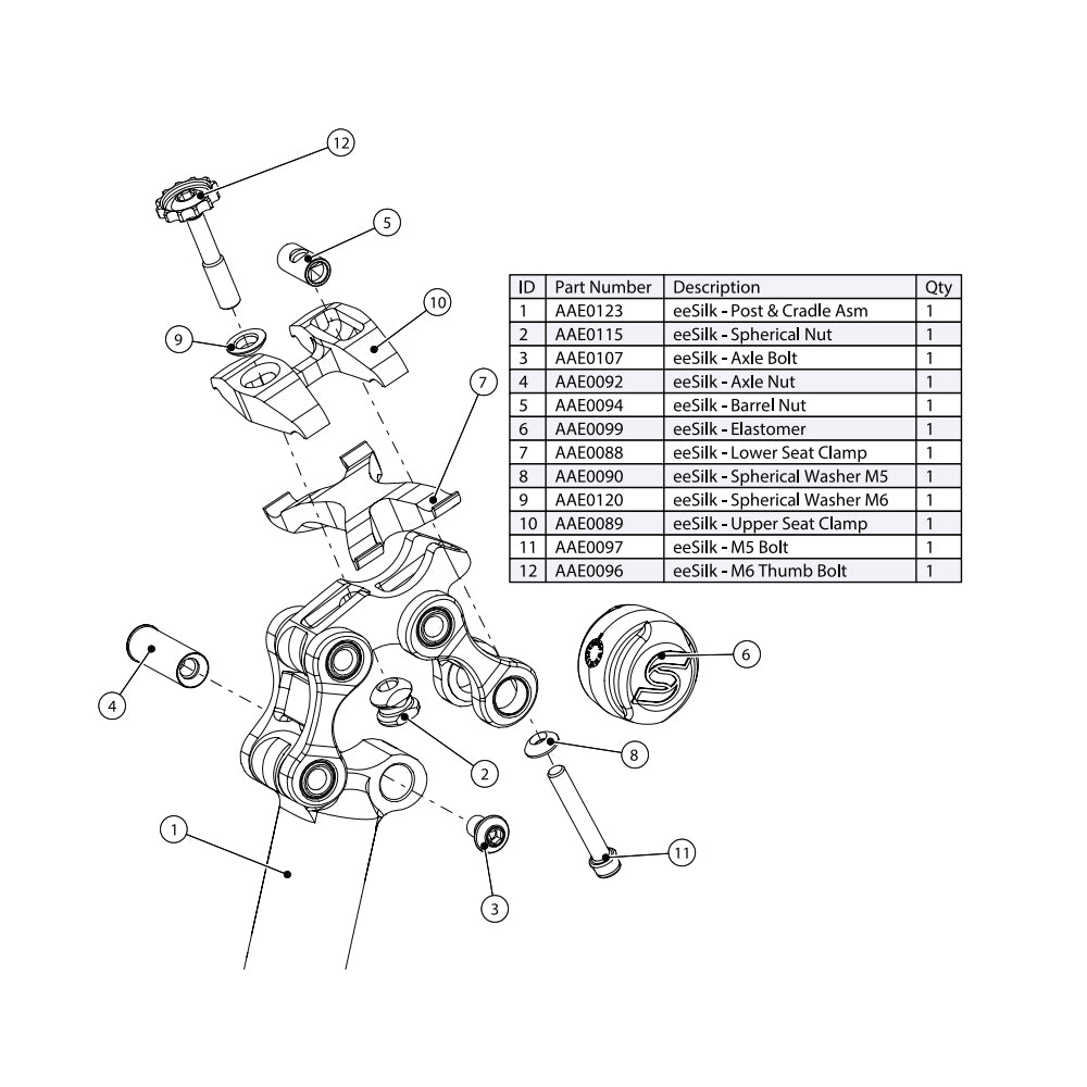
Cane Creek eeSilk Spare Parts and Elastomer
Click for pricing
$17.60
BBB - Comfort Post Suspension Seat Post
$214.90
BBB - Seat Post - SkyScraper
Click for pricing
Specialized S-Works Tarmac SL8 Carbon Post
$315.00
$4.13 OFF
Sale
Suspension Seat Post 27.2mm
$78.47
$82.60
Suntour - NCX Suspension seatpost
$244.90
$10.45 OFF
Sale
Ritchey WCS Link Post
$198.55
$209.00
$0.18 OFF
Sale
Cane Creek Thudbuster G4 Spare Parts
Click for pricing
$3.60
BBB - Action Post Suspension Seat Post
$239.90
Cannondale C1 40 Aero Seatpost 0mm Offset
Click for pricing
$64.75 OFF
Sale
RockShox Reverb AXS Seat Post
$1,230.25
$1,295.00
Seat Bolts - Quick Release
$12.90
$1.90 OFF
Sale
Cane Creek ThudGlove ST
$36.10
$38.00
Thomson Masterpiece Set Back Seatpost
$374.99
Thomson Masterpiece Carbon In Line Seatpost
$579.99
Thomson Masterpiece In Line Seatpost
$374.99
$10.25 OFF
Sale
Thomson Elite In Line Seatpost
Click for pricing
$204.99
Fsa Sl K Sb20 Seatpost
$249.99
Enve Seatpost Parts
Click for pricing
Enve 400 Mm Set Back Seatpost
Click for pricing
Enve 400 Mm In Line Seatpost
$644.99
Enve 300 Mm Seatpost
$644.99
KS 27.2 Ragei-S Suspension and Dropper Seatpost
$349.99
$18.20 OFF
Sale
Zipp Service Course SL 20 Offset Seatpost
Click for pricing
$364.00
$47.40 OFF
Sale
Zipp Service Course SL 0 Offset Seatpost
$327.60
$375.00
$4.49 OFF
Sale
WTP Team Pivotal Seatpost
$85.41
$89.90
Specialized S-Works Tarmac Carbon Post
$315.00
Specialized S-Works Pavé SL Carbon Bicycle Seatpost
$315.00
$1.35 OFF
Sale
Problem Solvers Seatpost Shims
Click for pricing
$27.00
$2.37 OFF
Sale
Oxford Alloy Seat Posts
Click for pricing
$47.50
$4.49 OFF
Sale
Eclat Torch Pivotal Seatposts -Straight & Offset
$85.41
$89.90
$4.24 OFF
Sale
eclat Torch Pivotal Seatpost
$80.66
$84.90
$4.74 OFF
Sale
eclat EXILE Rail Seatpost
$90.16
$94.90
Easton - Seatpost Rail Kits
Click for pricing
Easton - EC90 Carbon Seatposts
Click for pricing
Easton - EC70 Zero Carbon Seat Post
$309.90
$1.68 OFF
Sale
22.2mm Layback Seat Post
$32.02
$33.70
Micro Seat Posts - Silver
$45.90
Micro Seat Posts - Suspension
$60.90
Micro Seat Posts - Black
Click for pricing
$0.62 OFF
Sale
Cane Creek Thudbuster ST G4 Replacement Elastomers
Click for pricing
$12.40
$1.16 OFF
Sale
Cane Creek Thudbuster ST G3 Replacement Elastomers
$22.14
$23.30
$1.80 OFF
Sale
Cane Creek Thudbuster LT G4 Replacement Elastomers
$34.20
$36.00
$0.44 OFF
Sale
Cane Creek Thudbuster G3 Spare Parts
Click for pricing
$8.80
$1.90 OFF
Sale
Cane Creek All New Thudbuster G4 ST Seatpost
Click for pricing
$38.00
FREE SHIPPING OVER $129
*excludes bikes, bulky items, dangerous goods.
14 DAY EASY RETURNS
SECURE PAYMENT
EXPERT TEAM & SERVICE
Coupon
Search
Drawer Title
Choosing a selection results in a full page refresh.
Similar Products